Luft-/Wasser Wärmepumpe
mit elektrischem Antrieb.
Komplette Wärmepumpe in Monoblock-Ausführung bestehend aus Innen- und Außeneinheit. Für Raumheizung, Raumkühlung und Trinkwasererwärmung geeignet.
Qick-Info
- Typ: APIM-R410A-030
- Artikelnummer: 30.MB.410A.75.030
- R410A - 30 kW R410A - 45 kW R410A - 90 kW
HIGH PERFORMANCE
Vorlauftemperatur 60°C
Flüstermodus 62 dB(A) bei 1m
Kühlmittel R410A
Förderfähig
Integrierte elektrische Heizung 3kW
Automatische Messung der
Leistungserzeugung (C.O.P)
Touchscreen-Bedienfeld und
Steuerung per App
Technische Daten
Technische Daten | |
---|---|
Artikelnummer | 30.MB.410A.75.030 |
Stromversorgung - Außengerät | 400 V / 50 Hz / 3 ph |
Stromversorgung - Sicherung Außengerät | 3 P / 25 A / C |
Leistung | |
Min./Max. Heizleistung | 15,2 / 28,7 kW |
El. Heizleistungsaufnahme min/max | 3467 / 7488 W |
Arbeitsdruck min/max (1) | 3,83 / 4,43 W |
Heizleistung min/max | 12,2 / 29,4 kW |
El. Heizleistungsaufnahme min/max | 3769 / 9035 W |
Heizleistung min/max (2) | 3,26 / 3,43 W |
SCOP - Durchschnittsklima, niedrige Temperatur | 4,06 W |
Energieklasse | A++ |
Min./max. Kühlleistung (3) | 15,2 / 26,8 kW |
El. Leistungsaufnahme Kühlung min/max (3) | 3253 / 8765 W |
E.E.R. min/max (3) | 3,06 ~ 4,68 W |
Min./max. Kühlleistung (4) (A35/W7) | 7,3 ~ 21,2 kW |
El. Kühlleistungsaufnahme min/max (4) | 3121 ~ 7960 W |
E.E.R. min/max (4) | 2,33 ~ 2,84 W |
Min./Max. Arbeitstemperatur der Umgebung im Heizbetrieb | - 85 °C |
Min./Max. Betriebsumgebungstemperatur im Kühlbetrieb | 15 - 55 °C |
Max. Vorlauftemp. im Heizbetrieb | 60 °C |
Min. Vorlauftemp. im Heizbetrieb | 20 °C |
Min. Vorlauftemp. im Kühlbetrieb | 7 °C |
Schallleistungspegel - Außengerät | 62 dB (A) |
Komponenten | |
Kompressor - Heizung | 30 W |
Lüfter - Menge | 2 Stk. |
Lüfter - Luftstrom | 2 x 5250 m³/h |
Lüfter - Nennleistung | 2 x 93 W |
Lüfter - Schaufeldurchmesser | 2 x 552 mm |
Titan-Rohrwärmetauscher - Wasserdruckverlust | 60 kPa |
Titan-Rohrwärmetauscher - Rohrleitungsanschluss | 1 1/2" Innengewinde |
Kältemittel - Typ | R410A |
Kältemittel - Menge | 5,2 kg |
Verdichter - Typ | Inverter+EVI |
Verdichter - Öl | FVC68S |
Verdichter - Ölmenge | 1,9 L |
Verdichter - Heizgerät | 30 W |
Verdichter - Marke und Typ | Panasonic, Doppeldrehscheibe |
Minimaler Wasserdurchfluss | 2,8 m³/h |
Nomineller Wasserdurchfluss | 5,2 m³/h |
Hydraulische Anschlüsse | 65 kg |
Abmessungen und Gewicht | |
Nettoabmessungen (L x T x H) - Außengerät | 1295 mm x 460 mm x 1445 mm |
Nettoabmessungen (L x T x H) - Innengerät | 385 mm x 476 mm x 150 mm |
Brutto Abmessungen (L x T x H) - Außengerät | 1325 mm x 480 mm x 1585 mm |
Brutto Abmessungen (L x T x H) - Innengerät | 400 mm x 490 mm x 180 mm |
Nettogewicht - Außengerät | 180 kg |
Nettogewicht - Innengerät | 9 kg |
Brutto Gewicht - Außengerät | 200 kg |
Brutto Gewicht - Innengerät | 10 kg |
Im Lieferumfang des Geräts enthaltene Temperatursensoren | 5 K, B=3470, 50 K, B=3950 |
WiFi-Modul | Ja |
Kommunikationskabel | 20 m |
(1) Heizbedingung: Wassereinlass- und -auslasstemperatur:
30°C/35°C, Umgebungstemperatur: DB 7°C/WB 6°C
(2) Heizbedingung: Wassereinlass-/Auslasstemperatur:
40°C/45°C, Umgebungstemperatur: DB 7°C/WB 6°C
(3) Kühlbetrieb: Wassereinlass-/Auslasstemperatur:
23°C/18°C, Umgebungstemperatur: DB 35°C/WB 24°C
(4) Kühlungsbedingung: Wassereinlass-/Auslasstemperatur:
12°C/7°C, Umgebungstemperatur: DB 35°C/WB 24°C
(5) Die technischen Daten können ohne vorherige Ankündigung geändert werden. Die tatsächlichen technischen Daten des Geräts entnehmen Sie bitte den
Aufklebern auf dem Gerät.
Leistungsvolle Funktionen
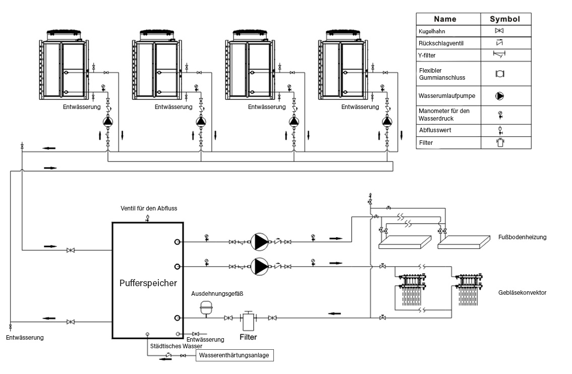
- Kaskade - Ein Bedienfeld kann bis zu 16 Geräte steuern
- Heizkurve - Automatische Anpassung der Wasseraustrittstemperatur an die Umgebungstemperatur
- Modbus - Einfache Kommunikation mit BMS für intelligente Gebäude
- Zwei Mischkreise - zwei Mischkreise für verschiedene Heizzonen
- Rotationsbetrieb - wenn zwei oder mehr Geräte im System angeschlossen sind, läuft jedes Gerät abwechselnd
- Intelligentes Abtauen - Maximal 1/3 der Geräte können gleichzeitig abtauen, um eine stabile Temperatur des gesamten Systems zu gewährleisten
- Notbetrieb - Wenn das Hauptgerät ausgefallen ist, kann jede Wärmepumpe einzeln arbeiten
- Hohe Energieeffizienz (bis A++) und stabile Leistung

Angaben in mm
Außeneinheit
Inneneinheit
Außeneinheit
1
Lüfterflügel
2
Ventilator Motor
3
Kompressor
4
4-Wege-Ventil und Spule
5
Gasakkumulator
6
Kältemittelanschluss 1
7
Kältemittelanschluss 2
8
Niederdruck-Sensor
9
Hochdrucksensor
10
Messumformer
11
Hauptsteuerplatine, Filterplatine, Verdichtertreiber
12
Verdampferschlange
13
Verdichter Kurbelgehäuseheizung
14
Bodenplatten-Heizung
15
EEV
16
EEV Spule
17
Sensor für Verdichterausblastemperatur
18
Kompressor-Saugtemperatursensor
19
Außentemperatursensor für die Rohrschlange und Umgebungstemperatursensor
Inneneinheit
1
Bedienfeld
2
Scharnier
3
Tür
4
Wasseranschluss
5
Wasserpumpe
6
Elektrische Heizung
7
Gehäuse
8
Kabelbefestigungsplatte
9
Kabelhalterung
10
Elektrischer Kasten
11
Deckel des Elektrokastens
12
Elektrisches 3-Wege-Ventil
13
Schlauch aus rostfreiem Stahl
14
Sicherheitsventil-Bausatz
